Download Autronic Driver
- Download Autronic Driver Software
- Download Autronic Driver Tool
- Download Autronic Driver Installer
- Download Autronic Driver Software
- Download Autronic Drivers
Download and install the driver; 2. Install and run the program for your LPG; 3. Connect the adapter to the USB port of your PC or laptop; 4. Connect the adapter to the diagnostic socket of the gas control unit. In the program settings, select the Com-port to which the LPG adapter is connected. Support, documentation, resources for Innovate Products. Model Manual Firmware; DB Series Gauges: NA: DLG-1: Dual Lambda O2 Gauge: ECB-1: Ethanol Content, Boost, & Air/Fuel Gauge.
ECU Programmer software and file for free download.
CONFIGURATION SOFTWARE. AEB Autronic-Emmegas ECU07 1.03.68. ESGI Interfejs USB Drivers Windows XP. 4x24 LCD/VFD Engine computer monitoring display for an Autronic ECU - currently supports v1.99 Autronic. Includes a hardware design and software. Includes a hardware design and software. Downloads: 0 This Week Last Update: 2013-03-08 See Project. With a check engine light the driver has no actual indicator of what the problem is. On the C127 we are able to relay a message in text across the bottom of the screen indicating what is triggering the fault. The C127 also features 16 full color LEDs integrated into the unit for use as shift points, warning lights, or other driver alerts.
Please note,anti-virus software can flag up this product software as having a virus. This is a false positive and is due to the software containing the application file like .exe. So Before setup the device software, please disable/uninstall anti-virus software or install a more reliable virus scanner! Our product software is completely safe and virus free and all other virus scanners confirm this.
free. download full UPA Scripts Collection for UPA USB 1.3:
Password: fiaz3099upa
Download UPA Script for Toyota Corolla 2013 93C66 Denso
(Newly added):
Free download MPPS V18 Software 18.12.3.8 Patch+ Installer:
Free download MPPS V18 Software Automatic Installer for WIN7 32bit:
Free download MPPS V18 Software Automatic Installer for WIN7 64bit:
MPPS V21 Sotware Download:
Kess V2 Ksuite 2.53 free download:
Kess V2 free downloadon Mega:
https://mega.nz/#!8QgwSboa!XLUqAJBt6ISsL4ijpdxZ68emHJa8EMAvwLAq_ZRlZPg
Password: laura168
Firmware Version: V5.017, Software Version: V2.47 (Newest)
Update: By link
OS: Works on Win XP / Win7 32 bit, Win 8, etc.
Language: English/ German/ Spanish/ Italian/ Portuguese/ French
Car Models: For Multi-cars and trucks, no year limited
Ktag 2.25 free download on Mega:
Hardware Version: V7.020, Software Version: V2.25
Update: By CD or Download link only
O.S: Works on XP, WIN7 (Try on WIN8 WIN10 at your own lucky)
Language: Italian, Deutsch, English, French, Portuguese, Spanish
Works on almost all Kess master
But SE135 has a different driver as SE135-B1 and SE135-E, so their installation method is a little different.
FgTech free download on Mega:
Password: cooked2017
Firmware: FGTECH 0475, Software Version: V54 2012/02
Update: By link
O.S:Windows XP, Windows 7 32-bit
Unlock version, can use directly, no need to activate.
Language: English, Spanish, French, Italian, German, Czech, Portuguese, Turkish
Car Models: Compatible for cars (12V), trucks (24V), motorcycles, Marine, BDM MPCxx, BDM Boot Mode, checksum.
V82 iProg+ Profree download link: https://share.weiyun.com/5vusgt9
Password: 2nhra8
V80 iProg+ Pro software, free download link: https://share.weiyun.com/5TDLgT0
Password: sppubu
Iprog+ V77 ECU Programmer Free Download link: https://mega.nz/#!hMxViSZJ!flDyz5MqXAhLHldDZ9EIII_b_CTPQj3Ansuraw12rP8
Password: No password
iProg+ pro V76 free download link: https://share.weiyun.com/5FTr7zl
Password: fm63a3
Free download CARPROG V10.05 on mega:
Option 1 (Working):
Free download Carprog 11.35 software:
Софтуер за газов инжекцион LPG SOFTWARE 4GAS / AC GAS / A.E.B. / AG / AGIS / AGR /ALTIS / ATIKER / AUTOGAS ITALIA / AUTRONIC / BIGAS / BRC / BSM BARDOLINI / DT GAS / E-GAS / ELPIGAS / EMER / EMMEGAS / ESGI / EUREKA / EUROPEGAS / FOBOS / GREENGAS
Съдържанието на DVD-2 можете да разгледате ТУК.
4GAS: /GREEN/II MINI/II PLUS OBD CAN/II SAS/PLUS/PREMIUM.
AC GAS: /SYNCHRO/LPG/STAG 200,300/STAG-4 Q-BOX/STAG 400 DPI FULL/ STAG-4 FULL/STAG-4 PLUS/STAG 50,100,150,XL,FULL/STAG 300 ISA2/STAG 300 PLUS FULL/SXC 1011 FULL.
A.E.B. : /170 VIOLA/175 LEONARDO/214 OBD/424-426 OBD/2001/AUTRONIC/EMMGAS/GALILEO/VIOLA PLUS.
AG: /COMPACT/JZ 2005/JZ 2009/RAZMUS/RAZMUS PLUS/SIROCCO.
AG Holland (Холандия): AG SGI/GFI Diagnostic Tool/Telefilex GFI. (Без USB ключ, можете само да направите диагностика)
AGIS: /M210/R2013/MINI S/OBD CAN/ML.
AGR: /AGR 1.3.2.1/AGR-1.10.7.1067
ALTIS: /ALL VER.
ATIKER: /ALL VER.
AUTOGAS ITALIA: /DREAMJET/EASYJET/FLYJET/OBD POWER/POWERJET/SMARTJET.
AUTRONIC: /68C/EASYJET/MISTRAL.
BAYKAN: /INSTALL BAYKAN/DGI800.
BEDINI: /ALL VER.
BIGAS: /SGIS/SGISN/PEGASO/NOVA GIS.
BRC: /Sequent FAST/Sequent Fastness/Sequent PD/Sequent SDI.
BSM BARDOLINI: /BARDOLINI/CARGAS/VEGA/ZANARDI.
DIGITRONIC: /Digitronic-DGI/Digitronic-EasyFast/DIGITRONIC AEB.
DT GAS: /GAS TECH 704-706-708/BASIC/SUPER/GT500S/GT600S.
DYMCO: /ФАБРИЧЕН ДИСК
E-G@S: /MCE/NDE/QDE/SLY INJECTION.
ELPIGAZ: /IC/N/LEONARDO/NICOLAUS/VIOLA PLUS/VIOLA.
EMER: /ALL VER.
EMMEGAS: /ICS-03.
ESGI: /ESGI ALL VER.
EUREKA: /4/8/APP/SGI.
EUROPEGAS: /OSCAR/N/SAS/MINI/PLUS OBD CAN/VICTOR.
FOBOS: /EASYGAS GREEN/VENDO GAS/GASCONTROL/ULTRA/ULTIMATE/1/2/3/4/5.
GASCONTROL ITALIA: /K2 ALL VER.
GASITALY: /F5 SOFTWARE MANUAL/GASITALY-F5 ECO, COMPACT,6-8, OBDII
GREENGAS: /ALL VER.
HTS /China HTS D07
KING: /ALL VER.
KME: /BINGO M/BINGO S/BINGO S307/DIEGO/LS/G3/M/NEVO/S COMBO/SIROCCO.
LANDI RENZO: /BLUE LR/L SI E/OLD/ ICS 03/IGS SYSTEM/LSI/MED EVO/PLUS MAX/SRL/LCS2/LCSA/LCSA1/LCSA1A/LCSA1B/LCSA2/LCSE/LES 01/LES 01,98,98A,98B,98C,98D,98E,98F,98G,98H,99/LIS.
LECHO: /LAMBDA PRO/MINI SEC OBD/MAXI/MAXI LAMBDA/SEC/VMAX.
LONGAS: /DGI800/DGI800IE/IE141,143,146,150.
LOVATO: /EASY FAST/FAST COM/LOGIC/SMART/SMART EASY FAST/ECO 4EU/ECO PRO/ECO/Lovato INS.
LPGTECH: /ALL VER.
PRINS: /Prins VSI 2.4.5/Prins VSI 2.5.0/ Работи под Windows-XP и газови компютри до 2007 година
MAGIC HL PROPAN LOVTEC: /ALL VER.
MEGAJET София Газ комерс: /MEGAJET A.E.B./MEGAJET FOBOS/MEGAJET SGC MP24.
MILANO: /ALL VER.
MIMGAS: /S200U/GENIUS/SGI.
NLP: /TechnoEcuSetup
NOVOGAS: /ARGO/EKO/EGS.
North Italy Gas Systems / ALL VER.
OMVL DREAM: /DREAM 21C/DREAM 21D/DREAM XXIN/MILENIUM XXIN/MILENIUM.
OPTIMA: /ALL VER.
OSCAR: /setup oscar n sas.
PLATINCA: /CD PlatincaEco/Platinca a.g 2009/Platinca_kur.
ROMANO: /RISN/AIS/Romano DI V 2.3.9.0 I/Romano Direct Injection 3000.
REG OMVL: /OLD VER.
SIMGAS: /SimgasPlusSetup версия: 1.1.2.0
STARGAS: /PEGASUS OBD/PEGASUS246/PEGASUS24/PEGASUS48/PEGASUS/PERSEUS.
STARLUX: /ALL VER.
STEFANELLI: /GR3-30/GR301/GR302/GR330.
TARTARINI: /Sequential Fuel Injection/Sequenziale/InjSys/Sequential Fuel Injection 'C'/SFI.
ULTRAGAS: /AEB/ULTRA Gas/SetupRSI+.
VERSUS: /ALL VER.
VIALLE ТЕЧНА ФАЗА: /ALL VER.
VOGELS VGI: /CD-ROM CAD/Start_VGI_4cyl/Start_VGI_8Cyl/VGI_Software_6.1.4_Installatore_ENG/VGI_Software_6.1.4_R01.
ZAVOLI: /ALISEI/ALISEI N/REGAL/ALISEI IC/ALISEI N IC.
WENTGAS: /WENTGAS 6.1.3.528IC
Поръчай DVD със софтуер за газов инжекцион:
ДИСКА СЪДЪРЖА СОФТУЕР ЗА НАСТРОЙКА И ДИАГНОСТИКА НА ГАЗОВ ИНЖЕКЦИОН НАД 60 ПОПУЛЯРНИ ФИРМИ. Над 500 ПРОГРАМИ, над 4 Гигабайта.
*Поради непрекъснатото обновяване, съдържанието може да не е 100% актуално, добавя се нов софтуер постоянно .
*Някои по-стари програми може да не работят под по-нова от Windos XP или 64 битови операционни системи.
*Някои стари софтуери може да изискват хардуерни ключове или специални кабели.
Съдържание:
Софтуер за газов инжекцион: AC GAS
- AC Gas Synchro версия: 9.3.0.1
- AC Gas Synchro версия: 9.1.0.0
- AC Gas Synchro версия: 6.0.0.37
- AC Gas Synchro версия: 1.14.1.0
- AC LPG версия: 1.81
- AC GAS STAG-4 Q-BOX
- AC GAS STAG 400 DPI
- AC GAS STAG-4
- AC GAS STAG-4 Plus
- AC GAS STAG-50, 100, 150, XL
- AC GAS STAG-200-300
- AC GAS STAG-300 ISA2
- AC GAS STAG-300 Plus
- AC GAS STAG-300 Premium AC GAS SXC 1011
Софтуер за газов инжекцион: AEB
- AEB 170 Voila
- AEB Voila Plus
- AEB 175 Leonardo версия: 3.1.0
- AEB Leonardo
- AEB 214 OBD SCAN TOOL
- AEB 424-426 OBD SCAN TOOL версия: 5.1.3
- AEB 2001 N версия: 6.1.0.342 IC
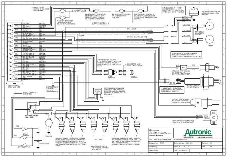
- AEB Autronic-Emmegas ECU07 версия: 1.03.68
- AEB Galileo версия: 1.0.2.2
- AEB170TC EI
- Софтуер за газов инжекцион: AG Holland (Холандия)
- Без USB ключа, можете само да диагностицирате системата без да променяте параметри.
- AG SGI
- GFI Diagnostic Tool 2.7
- Telefilex GFI
Софтуер за газов инжекцион: ALTIS
Altis версия 1.1
Софтуер за газов инжекцион: AGR
- AGR версия: 1.3.2.1
- AGR-1.10.7.1067-install
Софтуер за газов инжекцион: AUTOGAS ITALIA
- DREAMJET версия: 7.7
- EASYJET
- FLYJET
- OBD Power
- POWERJET MONOPLUG
- POWERJET PLUS
- Smartjet
Софтуер за газов инжекцион: BRC
- SequentFAST_Update
- SequentFAST версия 2.08
- SequentFastness_Update
- SequentFastness версия 1.18
- SequentPD Diagnostic Update
- SequentPD_Diagnostic версия 3.08
- SequentPD версия 3.08
- SequentSDI_Update
- SequentSDI версия 1.16
Софтуер за газов инжекцион: 4GAS
- 4GAS Premium версия: 9.0.0.1
- 4GAS версия: 8.0.0.1
- 4GAS версия: 7.0.02
- 4GAS PLUS версия: 6.0.0.1
- 4GAS GREEN версия: 3.00
- 4GAS II PLUS OBDCAN версия: 2.11
- 4GAS II MINI версия: 1.0.8
- 4GAS II SAS версия: 1.0.7
Софтуер за газов инжекцион: AG
- AG Razmus Plus 3.09
- AG Razmus версия: 1.10 - 1.11
- AG Sirocco+USBDrivers версия: 3.0.1.3-v3.0(+1.45)
- AG Sirocco+USBDriver версия: 1.45.2.7-v1.45
- AG Sirocco+USBDriver версия: 1.45.2.3-v1.45
- AG Sirocco версия: 1.3.1.0 v1.3
- AG Zenit PRO/OBD версия: 1.56
- AG JZ 2009 версия: 1.12.05
- AG JZ 2005 версия: 1.10.16
Софтуер за газов инжекцион: AGIS
- AGIS OBD CAN_v2.90
- AGIS OBD CAN_v2.84
- AGIS OBD CAN v2.13
- AGIS OBD CAN REPROGR
- AGIS MINI S REPROG
- AGIS версия: 1.47
- AGIS версия: 1.41
- AGIS версия: 1.38 ML
- AGIS App Install версия: 4.6
Софтуер за газов инжекцион: AUTRONIC
- AUTRONIC Easyjet software
- AUTRONIC EasyJet версия: 1.5
- AUTRONIC EasyJet версия: 1.58
- AUTRONIC EasyJet версия: 1.58 XP
- AUTRONIC EasyJet версия: 1.64
- AUTRONIC EasyJet версия: 1.65
- AUTRONIC EasyJet updater
- AUTRONIC Mistral версия: 0.23
- AUTRONIC Mistral версия: 0.73
- AUTRONIC Mistral версия: 1.5
- AUTRONIC Mistral версия: 2.0.73
- AUTRONIC Mistral 4 valve (amon)
- AUTRONIC Mistral 4 valve (amon p)
- AUTRONIC Mistral 6 valve
Софтуер за газов инжекцион: BAYKAN
- DGI800
- InstallBaykan
Софтуер за газов инжекцион: BIGAS
- Bigas SGIS Bigas SGISN
- Bigas SGISN версия: 5.1.5
- Bigas SGISN версия: 6.1.0
- Bigas Pegaso версия: 3.0
- NOVA GIS Config-Setup
Софтуер за газов инжекцион: BEDINI
- Power_evo_bedini_depliant_web_ridotto
- Bedini весия 5.25 за всички модели.
Софтуер за газов инжекцион: BSM BARDOLINI ZANARDI и прочие едни и същи превъплъщения на Българската фирма БСМ желаеща да звучи Италиански и да си мислят хората че това са продукти от Италия:
БСМ - ИЦО ВАСИЛЕВ
- Bardolini B4 версия: 8.5
- BSM B3 Cargas версия: 8.1
- ZANARDI B4
- Софтуер за газов инжекцион: DIGITRONIC
- Digitronic-DGI версия: 10.0.0.3
- Digitronic-EasyFast версия: 10.0.0.1
- DIGITRONIC версия: AEB
Софтуер за газов инжекцион: DT GAS
- DT Basic версия: 3.3.6.0
- DT Super версия: 1.4.11.0
- GT Basic SoftwarePack
- GT Super SoftwarePack
- GT 500S версия: 1.2+2.6
- GT 500S
- GT 600S Gas Tech версия: 2.22.70.0
- Gas Tech версия: 2.22.60.0
- Gas Tech версия: 2.21.30.0
- Gas Tech версия: 704-706-708
- Gas Administrator версия: 3.1.55.0
- Store in ECU Password.txt
Софтуер за газов инжекцион: DYMCO ФАБРИЧЕН ДИСК.
- 111118_OBD_Bi32
- General_Version 11.2012
- OBD_ECU
- 20111002 FUEL METER TYPE FOR MERIDYEN
- 20111114 Flow Rate Measurement Result for MERIDYEN
- 20111202 INJECTOR SPECIFICATION
- Dymco Update
- Firmware_Installration-01
- flash loader demonstrator v2.2
Софтуер за газов инжекцион: E-G@AS
- e-gas_manual_full
- shema_connecting_cable_EGAS
- MCE ЛЕКИ КОЛИ
- NDE ТОВАРНИ АВТОМОБИЛИ
- QDE ТОВАРНИ АВТОМОБИЛИ
- SLY-INJECTION версия: 9.9.18
- SLY-INJECTION версия: 9.9.20

Софтуер за газов инжекцион: ELPIGAZ
- Elpigaz версия: 6.0.7.0
- Elpigaz версия: 6.0.2.0
- Elpigaz версия: 4.6.5
- Elpigaz версия: 4.6
- Elpigaz версия: 4.1.1.136
- Elpigaz версия: 3.0.4.117
- Elpigaz версия: 2.3.3.95
- Leonardo
- Leonardo версия: 2.2.7
- Nicolaus Voila Voila Plus
Download Autronic Driver Software
Софтуер за газов инжекцион: EMMEGAS
EmmeGas EmmeGas версия: ICS-03
Софтуер за газов инжекцион: EMER
Emer Injection software версия: 6.1.3.528
Софтуер за газов инжекцион: ESGI
- ESGI 2 Black версия: 5.01
- ESGI 2 версия: 3.03
- ESGI версия: 4
- ESGI версия: 3.02 GR
- ESGI версия: 3.01
Софтуер за газов инжекцион: EUREKA
- Eureka Sgi Eureka 4 val.
- Eureka 8 val.
- Eureka App версия: 4.6
Софтуер за газов инжекцион: EUROPEGAS
- Oscar Plus OBDCAN версия: 2.12
- Oscar Plus OBDCAN версия: 2.9
- Oscar Mini версия: 1.16
- Oscar SW Oscar N SAS Victor версия: 0.77
- Oscar-n_sas версия: 1.09
Софтуер за газов инжекцион: FOBOS
- EASYGAS GREEN
- VENDO GAS
- GASCONTROL
- ULTRA
- ULTIMATE
- 1/2/3/4/5.
Софтуер за газов инжекцион: GASCONTROL ITALIA K2
- POWERFUeL версия 5.25 за всички модели.
- InstalEN
- schemak2
- Софтуер за газов инжекцион: GASITALY
- 616000197 (KIT INJ. MP48DF 4CYL GASITALY DGS).pdf
AEB2001NC_AEB2568D.pdf
AEB2001PC.pdf
AEB2010-1.pdf
F5 SOFTWARE MANUAL.pdf
GASITALY COMPACT ENG MANUAL.pdf
GASITALY COMPACT SCHEMA.PDF
GASITALY F1 ENG MANUAL.pdf
GASITALY F1 ENG SCHEMA.pdf
GASITALY-F5_ECO-COMPACT-6-8OBDII_IC_06.02.00.10.zip
GasItalyF1_8.1.rar
GI F5 4_8_CYL_OBDII.pdf
GI F5 COMPACT OBD.pdf
GI F5 COMPACT.pdf
GI F5 ECO.pdf
GI-F5 CLASSIC.exe
GI-F5.exe
ISW2001NBF_AEB (VERSIONE 6.1.3) _CAD_ENG.pdf
ISW2001NBF_AEB (VERSIONE 6.1.3)_CAD_ITA.pdf
MP32_REV1.pdf
MP48OBD.pdf
MP48_REV1.pdf
Setup_GasItaly-F3_20140206.exe
- Софтуер за газов инжекцион: HTS CHINA
- HTS D07 версия: 2.31(English, Български)
Софтуер за газов инжекцион: GreenGas A.E.B.
- GreenGas.exe
- ISW2001NBF_GREENGAS (VER 6.1.3)_ENG.pdf
- DOC_MP48OBD.pdf
- DOC_MP48.pdf
- DOC_MP32.pdf
- DOC_ECU 6-8 CYL OBD.pdf
Софтуер за газов инжекцион: KING
- King версия: 6.0.4.0
- King версия: 6.0.0.0
- King версия: 5.0.51
- King версия: 5.0.7
- King версия: 5.0.1-8
Софтуер за газов инжекцион: KME
- KME Bingo версия: 1.22
- KME Bingo M версия: 4.04
- KME Bingo M версия: 4.03
- KME Bingo M версия: 2.06
- KME Bingo S версия: 3.09
- KME Bingo S версия: 3.08
- KME Bingo S версия: 3.07 CZ
- KME Bingo S версия: 1.22
- KME Bingo S Combo версия: 1.22
- KME Diego версия: 1.4.1.1
- KME Diego версия: 1.2.6.9
- KME Diego LS версия: 3.0.2.2
- KME NEVO версия: 4.0.5.2
- KME NEVO версия: 4.0.3.1
- KME NEVO версия: 4.0.3.0
- KME NEVO версия: 4.0.2.1
- KME NEVO версия: 4.0.1.0
Софтуер за газов инжекцион: LANDI RENZO
- LANDI RENZO IGS System
- LANDI RENZO IGS
- Landi Renzo
- LANDI RENZO IGS версия: 5.6
- LANDI RENZO IGS версия: 4.7.1
- LANDI RENZO LCSA версия: 1
- LANDI RENZO LCSA версия: 1a
- LANDI RENZO LCSA версия: 1b
- LANDI RENZO LCS версия: 2
- LANDI RENZO LCSA версия: 2
- LANDI RENZO LCSE
- LANDI RENZO LES версия: 99
- LANDI RENZO LES версия: 98
- LANDI RENZO LES версия: 98a
- LANDI RENZO LES версия: 98b
- LANDI RENZO LES версия: 98c
- LANDI RENZO LES версия: 98d
- LANDI RENZO LES версия: 98e
- LANDI RENZO LES версия: 98f
- LANDI RENZO LES версия: 98g
- LANDI RENZO LES версия: 98h
- LANDI RENZO LES версия: 01
- LANDI RENZO LIS PRO версия: 5.01
- LANDI RENZO LIS PRO версия: 5.0
- LANDI RENZO LIS версия: 3.8 LIS Injection System
- Landi LSI версия: 2.43
- LSI NSI Omegas версия: 2.9.0 C
- Omegas версия: 2.4.3 C
- Omegas версия: 2.2.0.101 I
- Omegas DI
- Landi Renzo Ics версия: 03
- Landi Renzo SRL
- Landi Renzo MED EVO
- Landi Renzo Plus Max 2010 версия: 1.2.27.4
- Landi Renzo LPG VW VGI Tool версия: 4.0.5
- Landi Renzo-CD-PLUS версия: 4.0.3
- Landi Renzo Omegas PLUS версия: 4.03 Windows Vista - 7
Софтуер за газов инжекцион: LECHO
- Maxi Lambda версия: 4.3
- Maxi Lambda версия: 3.1
- Maxi Lambda Bis Lambda pro версия: 150
- Sec версия: 1.30
- Sec версия: 0.97 beta
- Sec версия: 0.93a beta
- Sec версия: 12.1
- Diagnostic Full Sec версия: 12.1
- Diagnostic Light Sec Mini OBD версия: 13.10.2009
- Vmax
Софтуер за газов инжекцион: LONGAS
dgi800
- LONGAS dgi800IE версия: 312
- LONGAS_IE версия: 141
- LONGAS_IE версия: 143
- LONGAS_IE версия: 146
- LONGAS_IE версия: 150
- Manuale LONGAS DGI800 ING
- Русский перевод
Софтуер за газов инжекцион: LOVATO
- Eco
Lovato Eco
Lovato Eco Pro
Lovato Eco 4EU
Lovato Logic 2
Lovato Smart версия: 1.5.6
Lovato Smart-Easy-Fast версия: 1.5.3I
Lovato Easy-Fast версия: 1.6.0 - LovatoEasy-Fast 1.8.1
Lovato Fast COM
Софтуер за газов инжекцион: LPG TECH
- LPG Tech Gas Setting версия: 2.0.0.39
- LPG Tech Gas Setting версия: 1.0.0.34
- Софтуер за газов инжекцион: PRINS (Работи с Windows XP и газови компютри до 2007 година.)
- Prins VSI версия: 2.4.5
- Prins VSI версия: 2.5.0
- MBLVdTUEV7500304.pdf
- Prins VSI Anleitung 2005.pdf
- Prins VSI.pdf
- PRINS-LPG VSI-1.pdf
- PRINS-LPG VSI-2-.pdf
- PRINS-LPG VSI-3-.pdf
Софтуер за газов инжекцион: MIMGAS
- MIMGAS_1.01.05.exe
- Mimgas_Genius.exe
- Mimgas_S2000U.exe
- Mimgas_SGI.pdf
Софтуер за газов инжекцион: NOVOGAS
- ARGO lietuviški dokumentai
- ARGO rusiški dokumentai
- programa ARGO
- EKO
- schema EGS EKO lietuviskai
- Софтуер за газов инжекцион: NLP
- TechnoEcuSetup версия: 1.07
- NLP LPG V.0.0.2.10
- NLP LPG OBD II V 3.1
Софтуер за газов инжекцион: North Italy Gas Systems
NIGS4
Софтуер за газов инжекцион: OPTIMA
OptimaInstaller версия: 1054
Софтуер за газов инжекцион: OSCAR
Setup oscar-n sas версия: 1.09
Софтуер за газов инжекцион: PLATINCA

- CD PlatincaEco
- Platinca a.g 2009
- Platinca версия: kur.R3
Софтуер за газов инжекцион: OMVL DREAM
- Dream XXI версия: 21N-21C
- Dream XXI версия: 5.0.8.258
- Dream XXI N версия: 6.0.8.315
- Dream XXI N версия: 5.0.5.255_C-AD
- Dream XXI N версия: V474C
- Dream XXI C FULL GROUP
- Dream XXI C версия: 363
- Dream XXI E
- Dream XXI P
- Dream 21C
- Dream 21DI
- Dream P версия: 2.3.0.0
- Dream P версия: 2.2.04
- Millennium Millennium software
Софтуер за газов инжекцион: REG
Z_Up_nice-06L
Софтуер за газов инжекцион: ROMANO
- Romano Romano RISN,
- Romano NEW ANTONIO
- Romano Direct Injection 3000
- Romano DI V 2.3.9.0 I
Софтуер за газов инжекцион: SOLARIS
- Solaris версия: 2.14
- Solaris N
- Solaris N версия: 2.20 23.04.2009 NO OBD
- Solaris версия: 13
- Solaris OBD версия: 09.12.2010
Софтуер за газов инжекцион: SIMGAS
SimgasPlusSetup версия: 1.1.2.0
Софтуер за газов инжекцион: STARGAS
- STARGAS PegasusOBD версия: 1.3.9.1
- STARGAS Pegasus EIS 2.4.6 (Старата версия)
- STARGAS Pegasus версия: 2.4.6.a
- STARGAS Perseus 24 версия: 1.32
- STARGAS Perseus 48 версия: 2.03.27 2014 04 29
Софтуер за газов инжекцион: STEFANELLI
- STEFANELLI StefGR330
- Stefanelli New
- STEFANELLI StefGR302
- STEFANELLI StefGR301
- Софтуер за газов инжекцион: STARLUX
- STARLUX LPG CNG версия: 9.0.0
Софтуер за газов инжекцион: TARTARINI
- Tartarini Sequenziale версия: 6.1.0.308 I
- Tartarini Sequenziale версия: 5.1.0 C
- Tartarini Sequenziale версия: 5.0.0 (cd)
- Tartarini Sequenziale версия: 5.0.0
- Tartarini Sequentiale версия: 4.7.0.144
- Tartarini Sequenziale версия: 4.4.0
- Tartarini iSGI версия: 5.8.0.180 I
- Tartarini TEC 99 Evolution версия: 1.0.2.0
- Tartarini TEC 99 PRO
- Tartarini TEC 97 R 02 Polacco
- Tartarini Etagas версия: 4[1].5.3

Софтуер за газов инжекцион: ULTRAGAS
- AEB версия: 6.0.7.0 IC
- ULTRA Gas версия: 1.24
- ULTRAGAS версия: 7.7
- ULTRAGAS версия: 8.00
- Setup версия: RSI+
Софтуер за газов инжекцион: VERSUS
Versus версия: 2.17 M 18.07.2012 TH,GR Versus версия: 2.08 Versus версия: 1.53
Софтуер за газов инжекцион: ZAVOLI
Alisei версия: 6.0.7.0 IC Alisei N версия: 6.0.5.0 IC Alisei N версия: 4.9.3I D Alisei N Alisei N версия: 3 Alisei N версия: 1 Regal (E) Regal
Софтуер за газов инжекцион: ATIKER
Atiker Fast System
ATIKER_SAFEFAST_v1.1.0.7
Софтуер за газов инжекцион: MILANO
Milano
Софтуер за газов инжекцион: HL - PROPAN
- Magic 2_G версия: 3-3.0.8.0
- MAGIC 3 версия: 1.0.0.0 IC
- MAGIC G4 версия: 4.0.4.0
- Older versions of Magic Lovtec-Tronic
- Magic2 1.3.0.6-версия: 1.3
- Magic2 1.3.1.0-версия: 1.3
- Magic2-USBDriver-1.45.2.3-версия: 1.45
- Magic2-USBDriver-1.45.2.6-версия: 1.45
- Magic2-USBDriver-3.0.0.9-версия: 3.0(-1.45)
- Magic2-USBDriver-3.0.1.2-версия: 3.0(-1.45)
- Magic2-G3-3.0.5.1-UPDATE версия: 1.4_1.5_3.0
- Magic2-G3-3.0.7.1-UPDATE версия: 1.4_1.5_3.0
Софтуер за газов инжекцион: MEGAJET ROMANO / FOBOS
- Megajet_A.E.B
- MegaJet_FOBOS
- MegaJet_MIGAS_2016_v1_34
- MegaJet_MIGAS_2017_v2.02
- Софтуер за газов инжекцион: VIALLE ТЕЧНА ФАЗА
- LiquidSi 220.rar
LPI Diagnostic Tool V 2.3.0.5 EN.rar
Vialle LiquidSi 2.21.rar
Download Autronic Driver Tool
Софтуер за газов инжекцион: VOGELS VGI
- CD-ROM_CAD_06.01.04.01
- 0_Start_VGI_4cyl_614_min_2.5
- 0_Start_VGI_8Cyl_614_min_2.5
- VGI_Software_6.1.4_Installatore_ENG
- VGI_Software_6.1.4_R01
Софтуер за газов инжекцион: WENTGAS
WENTGAS версия: 6.1.3.528IC
AG:
BLUE BOX
Compact
compactenglq.pdf
jzsoftwaremanual.pdf
Rasmus_plus_lambda
Sirocco v3.0.0.3
Sirocco_v1.3 _ v1.5
Zenit PRO_OBD
Zenit_JZ_2005 v1.10.06
Zenit_JZ_2005 v1.10.08
Zenit_JZ_2005 v1.10.16
Zenit_JZ_2009 v1.12.05
Zenit_JZ_2013_1.14.05_130208
BlueBoxSetup-1.0.0.66-full.exe
Compact_1.59.exe
Compact_1_69_141218.exe
Compact_SE_2_30_20170321_Setup.exe
instrukcja_razmus_plus.pdf
razmus_instrukcja_obslugi_1_11.pdf
razmus_ostatnie_zmiany.pdf
razmus_plus_3_09.exe
Docs
INSTALL.LOG
install.sss
lang
PL-2303 Driver Installer.exe
Sirocco-3.0.0.3.exe
Uninstall.exe
InstrukcjaDiegoG3_v3.1r2_PL.pdf
_DE_schema.jpg
_EN.lang
_EN_schema.jpg
_PL.lang
_PL_schema.jpg
__NO.jpg
sirocco_1_3_1_0v1_3setup.exe
sirocco_1_5v1_45setup.exe
sirocco_instrukcja_obslugi.pdf
zmiany_sirocco_1.4_1.5.pdf
ZenitPRO_1_67_150203.exe
ZenitPRO_2_10_20170606_Setup.exe
ZenitPro_OBD_1_56.exe
JZ_2005_1.10.06_061213.exe
plug+ecu.jpg
plug1.jpg
zenit_aktualizacja_centrali.pdf
zenit_instrukcja_obslugi.pdf
ag.xls
agc.ico
autorun.inf
JZ2005 software manual 060404en.pdf
JZ_2005_1.10.08.exe
ptstart.exe
JZ_2005_1.10.16_080304.exe
JZ_2009_1.12.05_090505.exe
jz_2013_1.14.05_130208.exe
AG SGI DGI:
AG DGI.exe
AG Diagnose Tool
ag sgi tool
Software EZ SGI 092005
DISK1.ID
Setup.exe
SETUP.INI
SETUP.INS
SETUP.PKG
_INST32I.EX_
_isdel.exe
_SETUP.1
_SETUP.DLL
_SETUP.LIB
data
Dts.exe
Dts.ini
language.ini
LearnECU.dll
Loadecu.dll
Calibrations
ErrorCodes
FlashUpdates
Language
Modifications
Software
Updates
204-205 Storing Sensorvoeding.pdf
212-218 Constant voeding.pdf
225-233 Geschakelde voeding.pdf
241-242 Fout in werkgeheugen.pdf
246-252 Spoel verdamperafsluiter.pdf
259-265 Circuit SGI injector 1.pdf
272-278 Circuit SGI injector 2.pdf
285-291 Circuit SGI injector 3.pdf
298-304 Circuit SGI injector 4.pdf
311-312 Diagnose LED.pdf
337-343 Uitschakelvertraging.pdf
350-356 Mode signaal.pdf
363-369 MAP sensor.pdf
376-382 LPG druksensor.pdf
397-403 Spoel LPG tankafsluiter.pdf
454-460 ECT sensor.pdf
467-473 Beeper.pdf
err_dui.ini
err_eng.ini
err_fra.ini
err_ita.ini
err_nld.ini
err_plk.ini
930214.ulp
930301.ulp
930302.ulp
930303.ulp
930304.ulp
930305.ulp
930401.ulp
930402.ulp
930403.ulp
930404.ulp
930405.ulp
930406.ulp
930407.ulp
930408.ULP
930409.ULP
930410.ULP
dtstxt.dui
dtstxt.eng
dtstxt.fra
dtstxt.ita
dtstxt.nld
dtstxt.plk
moddescr_dui.mds
moddescr_eng.mds
moddescr_fra.mds
moddescr_nld.mds
740303.dat
740403.dat
930203.dat
930204.dat
930205.dat
930206.dat
930207.dat
930208.dat
930209.dat
930210.dat
930211.dat
930212.dat
930214.dat
930301.dat
930302.dat
930303.dat
930304.dat
930305.dat
930401.dat
930402.dat
930403.dat
930404.dat
930405.dat
930406.dat
930407.dat
930408.dat
930409.dat
930410.dat
AG
autorun.inf
diagnose
dongle
eztool
install.exe
install.txt
Manual
AG Diagnose Tool SGI
EZTool
AGTerminal
data
DTS.exe
DTS.ini
language.ini
Agt.exe
Calibrations
ErrorCodes
FlashUpdates
Language
Modifications
Software
Updates
204-205 Storing Sensorvoeding.pdf
212-218 Constant voeding.pdf
225-233 Geschakelde voeding.pdf
241-242 Fout in werkgeheugen.pdf
246-252 Spoel verdamperafsluiter.pdf
259-265 Circuit SGI injector 1.pdf
272-278 Circuit SGI injector 2.pdf
285-291 Circuit SGI injector 3.pdf
298-304 Circuit SGI injector 4.pdf
311-312 Diagnose LED.pdf
337-343 Uitschakelvertraging.pdf
350-356 Mode signaal.pdf
363-369 MAP sensor.pdf
376-382 LPG druksensor.pdf
397-403 Spoel LPG tankafsluiter.pdf
454-460 ECT sensor.pdf
467-473 Beeper.pdf
Diagnosehandleiding SGI, Type 2_01L.pdf
err_eng.ini
err_fra.ini
err_ita.ini
err_nld.ini
err_plk.ini
EZ930204.ULP
dtstxt.eng
dtstxt.fra
dtstxt.ita
dtstxt.nld
dtstxt.plk
moddescr_eng.mds
moddescr_fra.mds
moddescr_ita.mds
moddescr_nld.mds
moddescr_plk.mds
NewMods for dealer.mds
NewMods for distributor.mds
740303.dat
740403.dat
930203.dat
930204.dat
data
ezcalibs
eztool.exe
eztool.ini
language.ini
software
930204
930204
930204.ezd
basic.ezc
ectsens
gassens
injector
mapsens
ectezsgi.ezc
gasbosch.ezc
sgi4mm.ezc
sgi5mm.ezc
sgi6mm.ezc
map2bar.ezc
mapiu.ezc
DISK1.ID
SETUP.EXE
SETUP.INI
SETUP.INS
SETUP.PKG
_INST32I.EX_
_ISDEL.EXE
_SETUP.1
_SETUP.DLL
_SETUP.LIB
OrigVersion
setup.exe
README.TXT
SETUP.EXE
WIN_9x
WIN_NT
sentinel.vxd
sentstrt.exe
sentw9x.dll
sentw9x.exe
sentw9x.hlp
sntnlusb.ifx
USB98
sntnlusb.inf
sntnlusb.sys
I386
setupx86.exe
snti386.dll
rnbovtmp.dll
sentinel.hlp
senttemp.sys
sntnlusb.cat
sntnlusb.ifx
sntnlusb.inf
sntnlusb.sys
DISK1.ID
SETUP.EXE
SETUP.INI
SETUP.INS
SETUP.PKG
_INST32I.EX_
_ISDEL.EXE
_SETUP.1
_SETUP.DLL
_SETUP.LIB
620001_1.pdf
628200_5.pdf
628201_5.pdf
AGC SYSTEM:
AGC_SYSTEM_1.18_130917.exe
AGC_SYSTEM_1.6.exe
AGC_SYSTEM_1.6_111202.exe
AGR:
AGR - 1.3.2.1
AGR -1.10.7.1067
FileList.bat
AGR-1.3.2.1.exe
ftd2xx.dll
history.xml
lastconfig.fob
resource_0103020001.frs
uninstall.exe
AGR-1.10.7.1067-install.exe
AKL:
AKL_6.0.6.0_IC.exe
ALDERSA RSI:
SetupRSI+.exe
ALPHA:
Alpha 4 valve.exe
Alpha 8 valve.exe
Alpha M 4-8 valve.exe
ALTIS:
ALTIS_PL.pdf
FileList.bat
soft v1.1
Altis.exe
CtrlsLib.dll
Errors.dll
mfc42.dll
MsgLib.dll
msvcp60.dll
ARGO:
confg.txt
cur.txt
cur_0.txt
Cur_00.txt
cur_01.txt
cur_02.txt
EGS.ico
files.txt
Local_En.loc
Local_Lt.loc
Local_Ru.loc
Local_ru.tcl
Local_Tu.loc
logotip.GIF
save.txt
Thumbs.db
Z_install.exe
Z_Upx_L.exe
ATIKER FAST:
Atiker Fast System.exe
Firmware
ftd2xx.dll
Lang
oscyloskop
ustawienia.dat
Changing Firmware.txt
Opis wersji firmware.txt
PCBv1.10
PCBv1.11
PCBv1.12
PCBv1.3
PCBv1.4
PCBv1.5
PCBv1.6
PCBv1.7
PCBv1.8
PCBv1.9
Poprawki.txt
Zmiana Firmware.txt
Znane bledy.txt
1.10.23.img
1.10.24.img
1.11.24.img
1.12.24.img
1.3.23.img
1.3.24.img
1.4.23.img
1.4.24.img
1.5.23.img
1.5.24.img
1.6.23.img
1.6.24.img
1.7.23.img
1.7.24.img
1.8.23.img
1.8.24.img
1.9.23.img
1.9.24.img
English.lng
Russian.lng
Turkish.lng
ATLAS:
ATLAS CLR
ATLAS Firmware
Atlas.exe
ATLAS_LANG_120
CtrlsLib2010u.dll
CtrlsLibGDIp2013u.dll
ErrorsLib2010u.dll
ImageLib2010u.dll
ImageLoadLib2010a.dll
mfc100u.dll
MsgLib2010u.dll
msvcp100.dll
msvcr100.dll
Skins
colors.clrSet
33EP M210 FCI
33EP MOLEX32
33F MOLEX32
33F TYCO55
M210_33EP_v310.afm
TYCO_33F_v310.afm
BOSNIAN.txt
Bulgarian.txt
CROATIAN.txt
CZECH.txt
ENGLISH.txt
FRENCH.txt
GERMAN.txt
GREEK.txt
ITALIAN.txt
RUSSIAN.txt
SERBIAN.txt
SLOVENIAN.txt
SPAIN.txt
THAI.txt
TURKISH.txt
UKRAINIAN.txt
ATLAS
btn_next.tif
btn_open.tif
btn_pause.tif
btn_play.tif
btn_prev.tif
btn_record.tif
btn_stop.tif
CheckBox_Selected.tif
CheckBox_Selected_2.tif
CheckBox_Unselected.tif
CheckBox_Unselected_2.tif
CON 12.tif
CON 14.tif
CON 34.tif
CON AUTO.tif
CON FULL.tif
CON PETROL.tif
CON R.tif
Injector_Green.tif
Injector_Red.tif
Injector_White.tif
M210.tif
OBD conn.tif
AUTOGAS GERMANY:
Autogas-Germany Autogas-Germany Diagnostic & OBD ver 05.08.2011 and USB drivers.exe
AUTOGAZ:
AC.ico
AcAutoGaz.exe
AUTORUN.inf
Contents
Doc
FTDI
Install
Page
ACAutoGaz.bmp
ACAutoGaz1.bmp
autorun.ini
BgBluetooth.bmp
BgLogo.bmp
BgStag150.bmp
BgStag300.bmp
BgStag4.bmp
BgStagTap.bmp
BgUsb.bmp
BtnBack.bmp
BtnOferta_.bmp
BtnOffer.bmp
BtnS100_.bmp
BtnS200.bmp
BtnS300plus.bmp
BtnS300premiumIplus_.bmp
BtnStag150_.bmp
BtnStag300.bmp
BtnStag300_.bmp
BtnSTap01.bmp
BtnSTap02_.bmp
BtnSXC1011.bmp
BtnSXC1011_.bmp
BtnSXL_.bmp
BtnTiming_.bmp
BtnWariator.bmp
ButtonDown.bmp
ButtonDown2.bmp
ButtonDownS.bmp
ButtonDownT.bmp
ButtonDownT_350.bmp
ButtonDown_350.bmp
ButtonUp.bmp
ButtonUp2.bmp
ButtonUpS.bmp
ButtonUpS_350.bmp
ButtonUpT.bmp
ButtonUpT_350.bmp
ButtonUp_350.bmp
czesci.bmp
ISO.bmp
ISOBtn.bmp
OBDAdapter.bmp
OBDAdapter.ini
offer.ini
RS.bmp
STAG-150.bmp
STAG-300.bmp
STAG-300plus.bmp
stag150.ini
stag150cer.ini
stag300.ini
stag300cer.ini
stagTAP.ini
stagTAPcer.ini
SXC1011.bmp
SXC1011.ini
SXC1011usb.ini
USB.bmp
usb.ini
BLUETOOTH
certyfikat.pdf
Czytaj.txt
ENG-2 REDUCERS connection.pdf
ENG-RENIX connection.pdf
ENG-UEGO connection.pdf
HOMOLOGACJE
katalog AC-2009-Autogaz.pdf
katalog AC-2009.pdf
PL-2 REDUKTORY podlaczenie.pdf
PL-RENIX podlaczenie.pdf
PL-UEGO podlaczenie.pdf
Readme.txt
REJESTRATOR
RUSS-2 REDUCERS.pdf
RUSS-RENIX.pdf
RUSS-UEGO.pdf
STAG-200
STAG-300 Plus
STAG-300 Premium
STAG-4
STAG-50,100,150
STAG-L Plus
STAG-OBD Adapter
STAG-TAP-01_02
STAG-XL
SXC 1011
ENG-BLUETOOTH manual.pdf
PL-BLUETOOTH instrukcja.pdf
homologacja STAG 100_50.pdf
homologacja STAG 300.pdf
homologacja STAG XL.pdf
homologacja STAG-300plus.pdf
homologacja STAG-TAP-01.pdf
homologacje (LPG i CNG) STAG-4.pdf
ver.1.0 ENG-DATA RECORDER manual.pdf
ver.1.0 PL-REJESTRATOR PARAMETROW instrukcja.pdf
ENG-STAG-200 leads description.pdf
ENG-STAG-200,STAG-4,STAG-300 PLUS,STAG-300 PREMIUM manual.pdf
PL-STAG-200,STAG-4,STAG-300 PLUS,STAG-300 PREMIUM instrukcja.pdf
RUSS-STAG-200,STAG-4,STAG-300 PLUS,STAG-300 PREMIUM manual.pdf
ENG-STAG-200,STAG-4,STAG-300 PLUS,STAG-300 PREMIUM manual.pdf
ENG-STAG-300 PLUS connection.pdf
ENG-STAG-300 PLUS,STAG-300 PREMIUM leads description.pdf
PL-STAG-200,STAG-4,STAG-300 PLUS,STAG-300 PREMIUM instrukcja.pdf
PL-STAG-300 PLUS podlaczenie.pdf
PL-STAG-300 PLUS,STAG-300 PREMIUM opis wyprowadzen.pdf
RUSS-STAG-200,STAG-4,STAG-300 PLUS,STAG-300 PREMIUM manual.pdf
RUSS-STAG-200,STAG-4,STAG-300 PLUS,STAG-300 PREMIUM manual.pdf
ENG-STAG-200,STAG-4,STAG-300 PLUS,STAG-300 PREMIUM manual.pdf
ENG-STAG-4 connection.pdf
ENG-STAG-4 leads description.pdf
PL-STAG-200,STAG-4,STAG-300 PLUS,STAG-300 PREMIUM instrukcja.pdf
PL-STAG-4 opis wyprowadzen.pdf
PL-STAG-4 podlaczenie.pdf
RUSS-STAG-200,STAG-4,STAG-300 PLUS,STAG-300 PREMIUM manual.pdf
ver.2.4 PL-STAG-200,STAG-4,STAG-300 PLUS,STAG-300 PREMIUM instrukcja.pdf
PL-STAG-50,100,150 instrukcja.pdf
RUS-STAG-50,100,150 manual.pdf
ENG-STAG-TAP-01,02 manual.pdf
ENG-SXC-1011 manual.pdf
D2XX Programmer_s Guide.url
D2XX Release Info.txt
FTD2XX.dll
FTD2XX.H
ftd2xx.inf
FTD2XX.lib
FTD2XX.sys
FTD2XXUN.INI
FTDI Installation Guides.url
FTDIUNIN.exe
arce505pol.exe
CDM 2.06.00.exe
PL-2303 Driver Installer.exe
rp505enu.exe
SetupAcGasSynchro-6.0.0.37.exe
setupAcLpg181.exe
setupAcTap1.03.exe
SXC1011
AcTesterOBD.exe
DelZip179.dll
firmware
SXC_1011_fv_098.sfi
eng
graf
pol
about.htm
Ftdi98.htm
FtdiXP.htm
ACmapa.gif
back.bmp
ftdiW981pl.jpg
ftdiW982en.jpg
ftdiW983en.jpg
ftdiW983pl.jpg
ftdiW984en.jpg
ftdiW984pl.jpg
ftdiW985en.jpg
ftdiW985pl.jpg
ftdiW986en.jpg
ftdiW986pl.jpg
ftdiW987en.jpg
ftdiW987pl.jpg
ftdiW988en.jpg
ftdiW988pl.jpg
ftdiW989en.jpg
ftdiXP1en.jpg
ftdiXP1pl.jpg
ftdiXP1ru.jpg
ftdiXP2en.jpg
ftdiXP2pl.jpg
ftdiXP3pl.jpg
ftdiXP3ru.jpg
ftdiXP4ru.jpg
about.htm
Ftdi98.htm
FtdiXP.htm
AUTRONIC MISTRAL II
A-Mon_P_V1.7.8_Autronic.zip
AL700 to AL820p
MEco_3.00.04.exe
MEvo_1.03.12.exe
Mistral I unlocked
Mistral II
MPlus_3.00.09.exe
AL_Software.exe
AL_Software_Demo.exe
Guides
USB_Interface_Drivers
xp_drives.exe
AL820p_Step_Parameters.jpg
AL820p_win7.pdf
AL820p_Wiring_Diagram.GIF
Guide.pdf
Install Guide_Read Me.rtf
Interface Plug.JPG
PASSWORD.txt
Petrol Injectors.JPG
WIN2000-XP-VISTA-7
WIN98
amd64
i386
Static
ftbusui.dll
ftcserco.dll
ftd2xx.lib
ftd2xx64.dll
ftdibus.sys
ftlang.dll
ftser2k.sys
ftserui2.dll
amd64
i386
ftd2xx.lib
ftd2xx.lib
FTSENUM.sys
FTSENUM.vxd
ftsermou.cat
FTSERMOU.INF
FTSERUI.DLL
mistral I installation.pdf
mistral I setup.pdf
mistral I tuning.wmv
mistral.1.5.1b.SP.exe
injectometer.exe
mistral II diagram 3.pdf
mistral II installation.pdf
mistral II setup.pdf
BAYKAN:
3.4.2 icin yard?mc? program
BAYKAN DGI 800 V 1.5.3.exe
BAYKAN DGI 800 V 3.4.2.exe
DGI800_IE141.exe
DGI800_IE143.exe
DGI800_IE146.exe
Kullan?m K?lavuzu- Elektrik Semas?
safir program
libraryfiles.exe
setuppad.exe
vbrun60sp5.exe
BAYKAN DGI800 Montaj K?lavuzu-Turkce.doc
BAYKAN KURULUM SEMASI.pdf
BAYKAN S?ral? Sistem-Olas? Problemler ve Cozumleri.doc
DGI800_Elektrik_Semasi.pdf
DGI800_Kullanma_Kilavuzu.pdf
Kullanma K?lavuzu DGI800.doc
MATRIX RAKOR CAPLARI.doc
AutoRun.exe
Autorun.inf
Besta.ico
Besta.jpg
Setup_Besta.exe
Setup_Besta.rar
BLUEPOWER BLUE:
BluePower D v1.070.exe
BluePower S v3.02 OBD.exe
BRC JUST:
BRC JUST 115.rar
BRC JUST HEAVY 105.rar
BRC JUST JUNIOR 115.rar
BRC JUST Junior.jpg
BRC JUST-Heavy.jpg
BRC JUST.gif
CAVAGNA:
AUTORUN.inf
CAVAGNA.exe
cdcavagna
pressure.pdf
production.pdf
regulators.pdf
START
valves.pdf
cavagnagroup.htm
IMG
POPUP.HTM
PRESSURE.PDF
production.pdf
regulators.pdf
VALVES.PDF
LOGO.JPG
SFONDO.JPG
Thumbs.db
CUBO:
Documents
Rail.ico
setup.exe
616000060 (Monoplug)_REV.1.pdf
616000062 (Monoplug OBD)_REV.1.pdf
616000064 (2568D)_REV.1.pdf
616000132 (MP32)_REV.1.pdf
ISW2001NBF_RAIL (VERSIONE 6.1.3)_Installatore_ENG.pdf
ISW2001NBF_RAIL (VERSIONE 6.1.3)_Installatore_ITA.pdf
EGS ARGO:
ARGO lietuviski dokumentai
ARGO rusiski dokumentai
EKO.exe
programa ARGO
schema EGS EKO lietuviskai.JPG
setup.ini
EGS1969I , EVBlt.doc
english versionen.doc
Lietuviu instrukcijalt.doc
Sistemos aprasymaslt.doc
ruskajainstrukcija
vpriskrus.doc
confg.txt
cur.txt
cur_0.txt
Cur_00.txt
cur_01.txt
cur_02.txt
EGS.ico
Local_En.loc
Local_Lt.loc
Local_Ru.loc
Local_ru.tcl
Local_Tu.loc
logotip.GIF
save.txt
Thumbs.db
Z_install.exe
Z_Upx_L.exe
EGS EUROGASSERVICE:
EGS Flex_Setup_v1.5.rar
EGS_ECU.jpg
EGS_socket.jpg
Installer_x8.rar
Neo_Installer_x864.rar
Zing_Installer_M-25.10.rar
ELGARO:
Elgaro2.83.exe
Elgaro_manual-English.pdf
EQUS:
CtrlsLib.dll
EQUS.exe
Errors.dll
Firmware
mfc42.dll
MsgLib.dll
msvcp60.dll
ecus_v280.afm
EUROGAS:
EAS Monitor.zip
EAS Software.zip
Installer_x864_for NEO.rar
FEMITEC MA-X:
FemitecSetup_v9.exe
FEMITEC_v8
FEMITEC_v8.exe
CtrlsLib2010u.dll
CtrlsLibGDIp2013u.dll
ErrorsLib2010u.dll
femitec.exe
FEM_LANG
ImageLib2010u.dll
ImageLoadLib2010a.dll
mfc100u.dll
MsgLib2010u.dll
msvcp100.dll
msvcr100.dll
Skins
BOSNIAN.txt
BULGARIAN.txt
CROATIAN.txt
ENGLISH.txt
FRENCH.txt
GERMAN.txt
GREEK.txt
ITALIAN.txt
RUSSIAN.txt
SERBIAN.txt
SLOVENIAN.txt
SPAIN.txt
THAI.txt
TURKISH.txt
ABOUT LOGO OLD.tif
ABOUT LOGO.tif
Btn_next.tif
Btn_open.tif
Btn_pause.tif
Btn_play.tif
Btn_prev.tif
Btn_record.tif
Btn_stop.tif
CheckBox_Selected.tif
CheckBox_Selected_2.tif
CheckBox_Unselected.tif
CheckBox_Unselected_2.tif
FE CON 12.tif
FE CON 14.tif
FE CON 34.tif
FE CON AUTO.tif
FE CON FULL.tif
FE CON PETROL.tif
FE CON R.tif
Gauge.tif
Injector_Green.tif
Injector_Red.tif
Injector_White.tif
GGS:
Neutro_140922_ENG.pdf
Setup_G.G.S.-G-_20150716.exe
GOMAR LIDER:
Lider
LIDER New
Lider.exe
Lider.exe
Old
Lider.exe
Lider.exe
Old
Lider.exe
IMEGA:
SetupImegaEVO-10.0.0.1.exe
Setup_Melandri_Force_20150908.exe
Ultima versione DDI
Ultima versione GAME
Ultima versione MAGIC
leggimi.txt
Setup_AJ-500_Direct_Injection_v1.60.00_Imega.exe
Setup_AJ-500_Direct_Injection_v1.60.00_Imega_Patch_BT.exe
GAME_3.30.1.exe
GAME_3.30.1_PatchBT.exe
leggimi.txt
leggimi.txt
Setup_Imega_GAME_Magic_20140805.exe
Setup_Imega_GAME_Magic_20140805_PatchBT.exe

KOLTEC:
manual-koltec-repase.pdf
Monio210 37F.exe
Monio28.exe
LEONARDO:
Is175_240102.pdf
Leonardo v.3.1.0
lpg-schema-aeb-leonardo.jpg
aeb.ico
AUTORUN.INF
setup.exe
LO GAS:
Flash
LO-GAS FLASH Pro
Lo.Gas FlashPro
LO.GAS MACH PRO
Mach
.doc
Soft
DISK1.ID
SETUP.EXE
SETUP.INI
SETUP.INS
SETUP.PKG
_INST32I.EX_
_ISDEL.EXE
_SETUP.1
_SETUP.DLL
_SETUP.LIB
DISK1.ID
SETUP.EXE
SETUP.INI
SETUP.INS
SETUP.PKG
_INST32I.EX_
_ISDEL.EXE
_SETUP.1
_SETUP.DLL
_SETUP.LIB
7FB01002.pdf
Istruzioni
LO.GAS FLASH Pro
.doc
DISK1.ID
SETUP.EXE
SETUP.INI
SETUP.INS
SETUP.PKG
_INST32I.EX_
_ISDEL.EXE
_SETUP.1
_SETUP.DLL
_SETUP.LIB
Autorun.inf
DISK1.ID
MachPro.ICO
SETUP.EXE
SETUP.INI
SETUP.INS
SETUP.PKG
_INST32I.EX_
_ISDEL.EXE
_SETUP.1
_SETUP.DLL
_SETUP.LIB
.doc
Installation Manual ENGLISH 2GEN, Vers.1.2.pdf
Soft
Autorun.inf
DISK1.ID
MachPro.ICO
SETUP.EXE
SETUP.INI
SETUP.INS
SETUP.PKG
_INST32I.EX_
_ISDEL.EXE
_SETUP.1
_SETUP.DLL
_SETUP.LIB
LOGO GAZ:
LOGO MAX manual pro instalaci a kalibraci EN.pdf
LOGOGAZ_software v1.04
Smart 07 navod k pouziti EN.pdf
b_firmware
LOGOGAZ.exe
mfc42.dll
msvcp60.dll
logogaz_v307.img
LONGAS:
Longas_DGI_3.12.exe
MARS 2014:
AUTORUN.INF
Documents
Mars.ico
setup.exe
DOC-2568D-616000235-00.pdf
DOC-MP32-616000237-00.pdf
DOC-MP48-616000231-000.pdf
DOC-MP48OBD-616000233-00.pdf
ISW2001NBF_SETALTAS (VERSIONE 6.1.3)_CAD_ENG.pdf
ISW2001NBF_SETALTAS (VERSIONE 6.1.3)_CAD_ITA.pdf
MOTOR GLP:
MotorGlp.ico
setup.exe
NLP-TECH:
NLP 2.0.4.58 Setup.exe
NOVOGAS:
ARGO lietuviski dokumentai
ARGO rusiski dokumentai
EKO.exe
programa ARGO
schema EGS EKO lietuviskai.JPG
EGS1969I , EVBlt.doc
english versionen.doc
Lietuviu instrukcijalt.doc
Sistemos aprasymaslt.doc
ruskajainstrukcija
vpriskrus.doc
confg.txt
cur.txt
cur_0.txt
Cur_00.txt
cur_01.txt
cur_02.txt
EGS.ico
Local_En.loc
Local_Lt.loc
Local_Ru.loc
Local_ru.tcl
Local_Tu.loc
logotip.GIF
save.txt
Thumbs.db
Z_install.exe
Z_Upx_L.exe
Това е програма за немските системи на FRONTGAS от 2001 година, изискава специален кабел с 6 пинов AMP конектор и ключ за регистрация на програмата, които можете да поръчате от нас.
NX FORCE II 5.15.exe
Öcotec: (OKOTEC)
Bedienugsanleitung Diagnose-Software V3.00_2008.pdf
v1.11.42_0059
v2.00.2-0059
v3.00.6_0154
v3.00.7_0172
Copyright.txt
DiagGas.exe
DiagGas_Uninstall.exe
Language
License.txt
Saves
Updates
Deutsch.lng
Magyar.lng
BMW
BMW116i_Beispiel.ocf
MasterUpdate_v1_27_0001__2007_08_15__2_6ms_StS__4_6V_SaugrohrDruckSensor_KurzSchlussWert_0_6bar_FreigabeDruck_
WAHLWEISE_SaugrohrDruckSensor.ofu
Copyright.txt
DiagGas.exe
DiagGas_Uninstall.exe
Install_2[1].00.02_0059.exe
Language
License.txt
Saves
Updates
Deutsch.lng
Magyar.lng
MasterUpdate_v2_09_0001__2007_02_16.ofu
MasterUpdate_v2_10_0001__2007_04_03.ofu
MasterUpdate_v2_12_0001__2007_07_05__3ms_Start_Strom_20ms_SonderEinspritz_WarteZeit_16msSonderEinspritzZeit_0_8bar_
MinimalDruck.ofu
Copyright.txt
DiagGas Uninstall.exe
DiagGas.exe
firmware.xml
Install ™COTEC v3.00.06-0154_v3.10-0006.exe
Language
License.txt
Saves
Updates
Utils
Deutsch.lng
Magyar.lng
Update_v3_10_0006__2009_05_28.ofz
OFx Viewer.exe
Copyright.txt
DiagGas Uninstall.exe
DiagGas.exe
firmware.xml
Install ™COTEC v3.00.07-0172_v3.10-0011.exe
Language
License.txt
Saves
Updates
Utils
Deutsch.lng
Magyar.lng
Update_v3_10_0011__2009_10_13.ofz
OFx Viewer.exe
ORION:
ORION
ORION2V11.exe
CZUJNIK BRC 0-90ohm.sen
CZUJNIK KME PW2.sen
FABRYCZNE.gaz
ORIONV2.08.exe
ORIONV2.08.INI
PLCC____.TTF
SCHEMAT MONTAZOWY.jpg
PLANIJET:
planijet092_install.exe
PROPANE HL-LOVTEC:
MAGIC 3 1.0.0.0 IC
Magic2 1.3.1.0-v1.3-setup.exe
Magic2_G3-3.0.8.0.exe
MAGIC_G4-4.0.4.0
MAGIC3.exe
¬TI.txt
MAGIC_G4-4.0.4.0-setup.exe
PROXGAZ:
ProxGazSetup.exe
PROXIMA ELARA:
Opis programu Elara.pdf
setup.exe
RAMSES:
Ramses 1.15 version
Ramses 2 version
Ramses_Smart_V4.0
setup 1.15 Eng.exe
RamsesOtogaz
Ramses.exe
Ramses.ini
unins000.dat
unins000.exe
autorun.inf
DotNetFX
Ramses Setup.msi
setup.exe
WindowsInstaller3_1
dotnetfx.exe
instmsia.exe
WindowsInstaller-KB893803-v2-x86.exe
WindowsInstaller-KB893803-v2-x86.exe
REAGAS:
CD-ROM_IC_06.02.01.00
REAGAS_06.07.00.06
AUTORUN.INF
Documents
Driver
Driver UC232A
Reagas.png
setup.exe
amd64
AUTORUN.INF
ftdibus.cat
ftdibus.inf
ftdiport.cat
ftdiport.inf
HASPUserSetup.exe
i386
Installation.pdf
old
USBdevice.ico
UsbDriverInstaller.exe
ftbusui.dll
ftcserco.dll
ftd2xx.lib
ftd2xx64.dll
ftdibus.sys
ftlang.dll
ftser2k.sys
ftserui2.dll
ftbusui.dll
ftcserco.dll
ftd2xx.dll
ftd2xx.lib
ftdibus.sys
ftlang.dll
ftser2k.sys
ftserui2.dll
amd64
ftdibus.inf
ftdiport.inf
i386
ftbusui.dll
ftcserco.dll
ftd2xx.lib
ftd2xx64.dll
ftdibus.sys
ftlang.dll
ftser2k.sys
ftserui2.dll
ftbusui.dll
ftcserco.dll
ftd2xx.dll
ftd2xx.lib
ftdibus.sys
ftlang.dll
ftser2k.sys
ftserui2.dll
Old
ser2pl.sys
SER9PL.sys
SERSPL.INF
SERSPL.VXD
SERWPL.INF
UC-232ADriverInstaller.exe
UC232A_win98_me
uc_232a_win 2014.zip
Windows
Winxp V1.5
DRemover98_2K.exe
Remove_driver.exe
ser2pl.sys
SER9PL.sys
SERSPL.INF
SERSPL.VXD
SERWPL.INF
PL2303.CAT
SER2PL.INF
SER2PL.SYS
ROXI:
mfc42.dll
msvcp60.dll
Roxi.exe
ROYALGAS:
DotNetFX
Royalgas Setup.msi
setup.exe
WindowsInstaller3_1
dotnetfx.exe
instmsia.exe
WindowsInstaller-KB893803-v2-x86.exe
WindowsInstaller-KB893803-v2-x86.exe
Download Autronic Driver Installer
SIGAS:
mfc42.dll
msvcp60.dll
SIGAS.exe
SIMGAS:
CD_Simgas_XP
Simagas_WIN7
SimgasPlus
SimgasPlusS
SimgasSetup_2_8_1_2.exe
SimgasSetup_3_3_2_2.exe
SimGas_2_crack
installme.txt
Shema_buksa.jpg
SIMGAS ЋЇЁбЁҐ.doc
SIMGAS ЏаҐЇ®акЄЁ.doc
SimGas1_COMport.exe
SimGas1_COMport.ini
Simgas2demo.exe
Simgas2_8.pdf
Simgas3demo
SimgasPlusSetup_1_0_3_0.exe
SimgasSetup_2_8_1_1.exe
SimgasSetup_2_8_1_2.exe
SimgasSetup_3_1_0_0b.exe
SimgasSetup_3_3_2_0.exe
SimgasSetup_3_3_2_2.exe
Simgas_1_11_0_0_Setup.exe
USB_Driver_WIN2000_XP
USB_Driver_WIN98
‹®Ј® Simgas.jpg
ђ§¬ҐаЁ „о§Ё Valtek Ё Rail.doc
ђкЄ®ў®¤бвў® § ®Ўб«г¦ўҐ Ё ६®в ।гЄв®а‘Ё¬Ј§.doc
‘ЇЁбкЄ Їа®Ў«Ґ¬Ё Ђўв®¬®ЎЁ«Ё _2010.pdf
б奬 ®ЄЎҐ«пўҐ V-7.0 Єк¬ V-8.0.jpg
б奬 ®ЄЎҐ«пўҐ V-5.8-~-6.20.jpg
б奬 ®ЄЎҐ«пўҐ V-7.0.jpg
б奬 ®ЄЎҐ«пўҐ V-8.0.jpg
psensor.cfg
SimGas3demo.exe
SimGas3demo.mapkarta
SimGas3demo.sgecu7
D2XX Release Info.txt
DPInst.exe
ftd2SG.inf
FTD2XX.H
FTD2XX.lib
FTDI Installation Guides.url
FTD2XX.DLL
FTD2XX.INF
FTD2XX.LIB
FTD2XX.SYS
FTD2XXUN.INI
FTDIUNIN.EXE
Simga2W7_2EN_3
SimgasSetup_3_1_5_0
english.lng
FTD2XX.dll
psensor.cfg
SimGas2.exe
SimGas3.exe
Simgas_USB_Drivers
D2XX Programmer_s Guide.url
D2XX Release Info.txt
DPInst.exe
ftd2SG.inf
FTD2XX.dll
FTD2XX.H
FTD2XX.lib
FTD2XX.sys
FTD2XXUN.INI
FTDI Installation Guides.url
SimgasSetup_3_1_5_0.exe
SimgasPlusSetup_1_5_3_0.exe
SimgasPlusSetup_1_5_5_2.exe
SimgasPlusSetup_1_1_4_0.exe
1.bmp
2.bmp
3.bmp
OllyDbg.rar
simgas setup guide.doc
Thumbs.db
SIROCCO:
sirocco_1_5v1_45setup.exe
sirocco_instrukcja_obslugi.pdf
SOLARIS:
Instrukcja_monta__u_i_strojenia_Solaris_VN8.pdf
Instrukcja_SOLARIS_01.09.pdf
OBIEG_WODY_I_GAZY_VIS.pdf
procedury_z_opisem_solaris.pdf
SolarisN
SolarisN_2.20__23.04.2009__NO_OBD_.exe
SolarisV13.exe
Solaris_2_14_sterownik.exe
Solaris_Diagnostic_OBD_ver_09.12.2010.exe
jezyk.txt
lang
parametry
schematy
solaris.exe
SolarisN.nsi
uninstall.exe
angielski.txt
niemiecki2.txt
polski.txt
slowacki.txt
schemat_de.pdf
schemat_en.pdf
schemat_pl.pdf
STARLUX:
libraryfiles
STARLUX LPG CNG VER 9.0.0.rar
STARLUX.exe
libraryfiles.exe
TAG SYSTEM:
TAG
TAG.ra
CtrlsLib2010u.dll
CtrlsLibGDIp2013u.dll
ErrorsLib2010u.dll
ImageLib2010u.dll
ImageLoadLib2010a.dll
mfc100u.dll
MsgLib2010u.dll
msvcp100.dll
msvcr100.dll
Skins
TAG.exe
TAG1 Firmware
TAG1_LANG
TAG
ABOUT LOGO.tif
Btn_next.tif
Btn_open.tif
Btn_pause.tif
Btn_play.tif
Btn_prev.tif
Btn_record.tif
Btn_stop.tif
CheckBox_Selected.tif
CheckBox_Selected_2.tif
CheckBox_Unselected.tif
CheckBox_Unselected_2.tif
CON 12.tif
CON 14.tif
CON 34.tif
CON AUTO.tif
CON FULL.tif
CON PETROL.tif
CON R.tif
Gauge.tif
Injector_Green.tif
Injector_Red.tif
Injector_White.tif
33EP M210 FCI
33EP MOLEX32
33F MOLEX32
33F TYCO55
BOSNIAN.txt
BULGARIAN.txt
CROATIAN.txt
ENGLISH.txt
FRENCH.txt
GERMAN.txt
GREEK.txt
ITALIAN.txt
RUSSIAN.txt
SERBIAN.txt
SLOVENIAN.txt
SPAIN.txt
THAI.txt
TURKISH.txt
Download Autronic Driver Software
TAMONA:
AuraFullSetup_v1.4.0.zip
Setup_Tamona.3.05.zip
TamonaGAS_3.11.zip
VRT2_install.zip
TRONIC:
data
INFO.DOC
INFO.TXT
tester.ini
TesterHLPic.exe
VECTOR:
SetupVector-1.13.12.0.exe
Download Autronic Drivers
VERONA GAS:
VERONA 1.1.5.0.exe
Verona Instrukcja.pdf
Verona-4.1.70.0
Verona-4.1.70.0+Drivers_install.exe
VOGELS GAS:
Vogels Autogas System V 6.1.3.514 IC
Всички схеми на свързване, инструкции и фърмуери.
VOLTRAN:
Voltran SGI V 8.8.rar
Voltran VSGI 2008
voltrandrivers USB-CAN
Voltran_SGI-V_2008Plus
dotnetfx
V-SGI v8.8.exe
VoltranVSGI.msi
dotnetfx.exe
WindowsInstaller-KB893803-v2-x86.exe
C4ULoad2.sys
ezusb.sys
FTD2XX.dll
FTD2XX.lib
FTD2XX.sys
FTD2XXUN.INI
FTDIUNIN.EXE
2008 Voltran ECU Wireness.pdf
dotnetfx
setup.exe
V-SGI 2008 Manuals.doc
VOLTRAN 2008 plastic ECU harness.xls
voltrandrivers
VoltranVSGI.msi
C4ULoad2.sys
DevInstall.exe
ezusb.sys
FTD2XX.sys
FTD2XXUN.INI
FTDIUNIN.EXE
Sommario di OneNote.onetoc2
zanthic_c4u_2515.INF
ZCAN4USB.dll
ZAMEL POLAND:
ZAMEL V 6.7.0.6 IC
Всички схеми на свързване и инструкции.
V-TEC:
V-TEC v1.54.exe
V-TEC v2.exe
БГ ДИАГНОСТИКА 24.11.2017 г.
Бгдиагностика - София